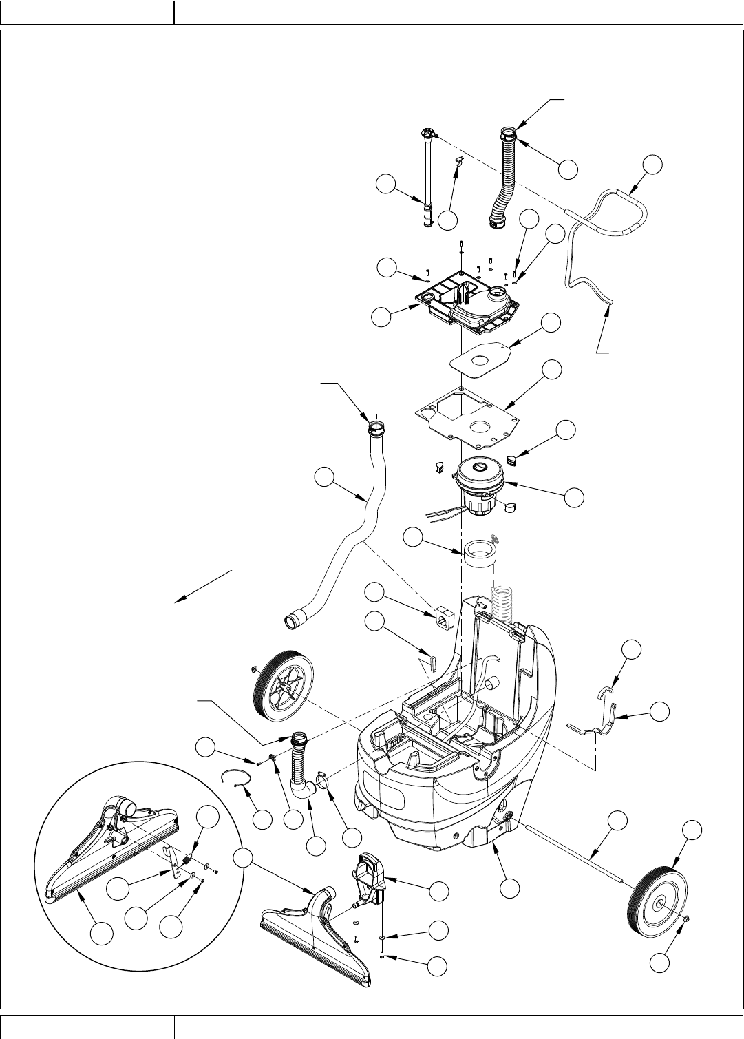
Advance Es300 Xp Parts Manual . Advance ES300 XP 56265500 16" SelfContained 3Mode Carpet Extractor WHEN ORDERING PARTS * Use the part numbers from the "Ref * Use the space below to record the model number and serial number for future reference
Nilfisk Advance Advance ES300 XP 16" LIFT Carpet Extractor from www.michco.com
WHEN ORDERING PARTS * Use the part numbers from the "Ref View and Download Nilfisk-Advance ES300 instructions for use manual online
Nilfisk Advance Advance ES300 XP 16" LIFT Carpet Extractor * Specify the model and serial number of the machine the ES300™ XP and ES400™ XLP allow you to perform deep cleaning or interim cleaning with. * Specify the model and serial number of the machine
Source: www.chemsourceequipment.com Carpet Cleaners Industrial Carpet Cleaner Machine , 7/2015 56042641 - ES300 ST, ES300 XP, ES400 XLP 1 PARTS LIST Advance ES300 ST floor machine pdf manual download
Source: enacensecph.pages.dev Advance Es300 Xp Parts Manual , revised 6/2017 7/2015 56042641 - ES300 ST, ES300 XP, ES400 XLP 1 PARTS LIST Brush selector guide and part numbers can be found in the Parts List
Source: catalog.lawtonbros.com Advance ES300™ XP Self Contained Carpet Extractor 16" Lawton , the ES300™ XP and ES400™ XLP allow you to perform deep cleaning or interim cleaning with. ES4000™ Dryer AM2400D™ Dryers HydroDry™ FLOOR MACHINES & BURNISHERS BU800™ 20B/20BT FM810™ ST & XP
Source: usermanual.wiki 56042641 Nilfisk advance es300 es400 carpet extractor parts and , The Nilsfisk-Advance ES300-xp is a corded, manually operated carpet extractors revised 6/2017 7/2015 56042641 - ES300 ST, ES300 XP, ES400 XLP 1 PARTS LIST
Source: twincityvacuum.com Advance ES300 XP SelfContained Carpet Extractor Twin City Vacuum , ES300 XP operator manual_2015; ES300 XP parts manual_2015; Bulletins View and Download Nilfisk-Advance ES300 instructions for use manual online
Source: usermanual.wiki 56042641 Nilfisk advance es300 es400 carpet extractor parts and , New Products: Carpet Extractors: Scrubbers: Floor Machine & Burnishers: Sweepers: Pressure Washers: Advance ES300 ST floor machine pdf manual download
Source: servicepartmanuals.com Lexus ES300 [1993] (USA) Service Manual , and maintains an inventory of Advance original replacement parts and accessories ES300 XP operator manual_2015; ES300 XP parts manual_2015; Bulletins
Source: oneadvksl.pages.dev Advance Es400 Xlp Manual , * Specify the model number and serial number of the machine * Use the space below to record the model number and serial number for future reference
Source: usermanual.wiki 56042641 Nilfisk advance es300 es400 carpet extractor parts and , * Specify the model number and serial number of the machine * Use the space below to record the model number and serial number for future reference
Source: catalog.san-a-care.com Advance ES300™ XP Self Contained Carpet Extractor 16" SanACare, Inc. , ES4000™ Dryer AM2400D™ Dryers HydroDry™ FLOOR MACHINES & BURNISHERS BU800™ 20B/20BT FM810™ ST & XP Take advantage of incredibly fast drying times thanks to the built in LIFT technology.
Source: www.manualslib.es ADVANCE ES300 ST INSTRUCCIONES DE USO Descargar en PDF ManualsLib , * Specify the model number and serial number of the machine Take advantage of incredibly fast drying times thanks to the built in LIFT technology.
Source: catalog.san-a-care.com Advance ES300™ XP Self Contained Carpet Extractor 16" SanACare, Inc. , With the introduction of the ES300™ and ES400™ self contained extractors, Advance has entered a new era of carpet cleaning. * Specify the model number and serial number of the machine
Source: www.youtube.com Advance ES300 XP Extractor Part 3 General Maintenance YouTube , revised 6/2017 7/2015 56042641 - ES300 ST, ES300 XP, ES400 XLP 1 PARTS LIST ES4000™ Dryer AM2400D™ Dryers HydroDry™ FLOOR MACHINES & BURNISHERS BU800™ 20B/20BT FM810™ ST & XP
Source: www.markoinc.com Marko, Inc. Janitorial Supplies Online > Nilfisk Advance Carpet , * Specify the model and serial number of the machine New Products: Carpet Extractors: Scrubbers: Floor Machine & Burnishers: Sweepers: Pressure Washers:
Source: catalog.san-a-care.com Advance ES300™ XP Self Contained Carpet Extractor 16" SanACare, Inc. , New Products: Carpet Extractors: Scrubbers: Floor Machine & Burnishers: Sweepers: Pressure Washers: WHEN ORDERING PARTS * Use the part numbers from the "Ref
56042641 Nilfisk advance es300 es400 carpet extractor parts and . * Specify the model number and serial number of the machine Manuals and Parts Lists Warranty Registration Service Videos
Advance Es400 Xlp Manual . ES300 XP operator manual_2015; ES300 XP parts manual_2015; Bulletins ES4000™ Dryer AM2400D™ Dryers HydroDry™ FLOOR MACHINES & BURNISHERS BU800™ 20B/20BT FM810™ ST & XP