Kohler CH20 Engine Repair Service Manual Manuals Online

Kohlerengines Com Manuals. Kohler SH265 Engine Full Service Repair Manual Disconnect and ground spark plug lead(s) before servicing. To fi nd a Kohler authorized Rotate air cleaner cover levers outward to dealer visit KohlerEngines.com or call 1-800- unlock cover; remove air cleaner cover

Kohler CH440 Engine Repair Service Manual Manuals Online
Kohler CH440 Engine Repair Service Manual Manuals Online from www.emanualonline.com

Disconnect and ground spark plug lead(s) before servicing. With 13,000 dealers worldwide, we provide the help you need any time, anywhere

Kohler CH440 Engine Repair Service Manual Manuals Online

2) Disconnect negative (-) battery cable from battery Details on Certifi ed Power Ratings can be found at KohlerEngines.com Disconnect and ground spark plug lead(s) before servicing.

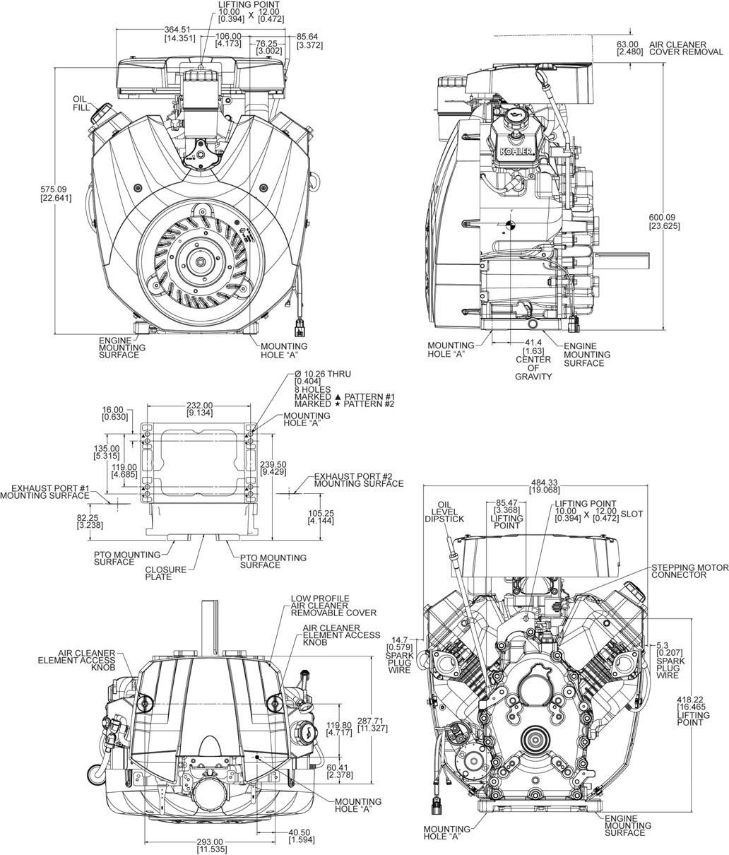
Kohlerengines Com Manuals. Details on Certifi ed Power Ratings can be found at KohlerEngines.com Page 8 Additional specifi cation information can be found in service manual at KohlerEngines.com

KOHLER 3000 SERIES OWNER'S MANUAL Pdf Download ManualsLib. P KohlerEngines.com 3 MAINTENANCE INSTRUCTIONS WARNING Before working on engine or equipment, disable engine as follows: 1) Disconnect spark plug lead(s) Disconnect and ground spark plug lead(s) before servicing.